Capacitive proximity detector
From ScienceZero
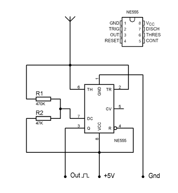
This circuit uses a NE555 IC to make an oscillator. Anything in the field emitted by the antenna will change the capacitance / inductance of the circuit and the result is a change in frequency / duty-cycle that can be detected on the output signal. It is good for robots or any other project that needs to detect objects. The values of the resistors R1 and R2 are not critical.